





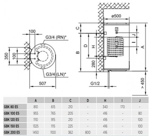
Бойлер косвенного нагрева Эван EVAN GBK 150 E5 (L/R) Подключение слева или справа на выбор
Высококачественная экологичная теплоизоляция обеспечивает наиболее экономичное использование электроэнергии и минимальные потери тепла. Сверхчистая эмаль и большой магниевый защитный анод гарантируют долгий срок службы даже при самых сложных условиях эксплуатации без каких-либо вредных примесей в воде.
«Сухой» ТЭН
Нагревательные элементы вставляются снаружи в стальной эмалированный фланец, что обеспечивает длительный срок службы, так как нагревательные элементы не находятся в контакте с водой.
Защита от нагрева без воды
Если в водонагревателе нет воды, то он не включится. Это предотвращает перегрев водонагревателя и поломку ТЭНа.
Функция «Антилегионелла»
Если вода в баке в течение четырнадцати дней не нагревается выше 65°С, водонагреватель автоматически нагреет воду до температуры, которая предотвращает появление и уничтожает болезнетворные бактерии легионеллы в воде.
Количество водоразборных точек: 2 и более
Монтаж: Вертикальный настенный монтаж
Присоединение к водопроводу: G 1/2
Присоединение к теплообменнику: G 3/4
Рабочее давление: 6 бар
Материал бака: Бак из эмалированной стали
Защитный анод: Защитный магниевый анод
Регулировка температуры: Электронная регулировка температуры
Термометр: Электронный термометр
Защита от замерзания: Да
Индикатор работы ТЭНа: Да
Класс защиты: IP 24
Площадь теплообменника: 0.9 м²
Максимальное давление теплоносителя: 6 бар
Максимальная температура теплоносителя на входе: 85 °С
Количество ТЭНов: 2
Мощность: 2,000 Вт
Напряжение: 230 V
Характеристики
характеристики водонагревателей
Нет отзывов об этом товаре.
Нет вопросов об этом товаре.